产品概述:
GGJ低压无功功率补偿柜是针对电网实际情况而专门设计的,它采用智能控制技术,一方面有效解决了在谐波工况下并联电容器自动投切无功补偿的问题,另一方面可以根据用户实际要求滤除谐波,清洁电网环境,降低损耗,消除谐波危害;并向系统提供容性无功,改善功率因数。可用于电力、冶金、石油化工、工矿企业、建筑、机械等行业配电系统中。产品型号说明
| ① | 低压无功功率补偿柜 |
| ② | 额定电压 (kV) |
| ③ | 额定电流 (A) |
| ④ | 谐波支路 (3、5、7、11) |
| ⑤ | J: 静态 D:动态 |
使用环境条件
● 海拔高度:2000米;
● 环境温度:-25~+40℃;
● 相对湿度:不超过90%(20℃);
● 安装场所无易燃、易爆物品,无腐蚀性气体和导电尘埃;
● 无剧烈震动和颠簸,安装倾斜度不大于5度;
注:订购本产品超出上述条件规定时,请与本公司协商。
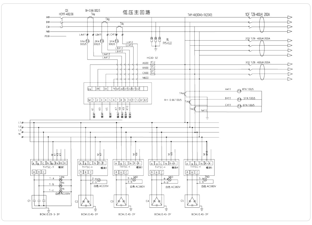
结构简介
● 电压过零点投切补偿装置,实现无涌流、无冲击,可频繁、快速投切电容器;
● 响应速度快,快速跟踪系统负荷的无功变化,实时动态或静态响应投切;
● 采用电容器自动/手动投切装置,可频繁操作,提高补偿精确度;
● 柜顶装有散热风机,有温控开关控制,适时调节柜内温度;
● 保护功能齐全:有短路、过载、过压、欠压、缺相等保护,设置方便。
技术参数
● 额定电压:400V,660V,1000V;
● 额定频率:50Hz;
● 额定容量:30-1000var;
● 运行电压范围:0.8-1.1 Un;
● 电容器接线方式:Y或△;
● 测量误差:电压:±0.5%,电流:±1%,无功:±1%;
● 投切方式:按谐波电压或功率因数自动投切;
● 投切延时:0-999s可调。

常用配置表

参考方案